E-posta iezaguzu
Produktuak
TAC Txandakatzeko Balbula Pneumatikoa
  • TAC Txandakatzeko Balbula PneumatikoaTAC Txandakatzeko Balbula Pneumatikoa

TAC Txandakatzeko Balbula Pneumatikoa

Fabrikazio profesionala denez, OLK-k TAC txandakako balbula pneumatikoak eman nahi dizkizu. Eta OLK-k salmenta osteko zerbitzu onena eta entrega puntuala eskainiko dizkizu.

TAC txandakatze pneumatikoko balbula (switch balbula izenarekin ere ezaguna) zehaztasun-aldaketaren osagaia da, sistema pneumatikoetarako eta fluidoen kontrolerako bereziki diseinatua. Txandakatze motako kontrol egitura paregabearekin, fluidoen bideen aldaketa azkarra eta kontrol zehatza lortzen du.

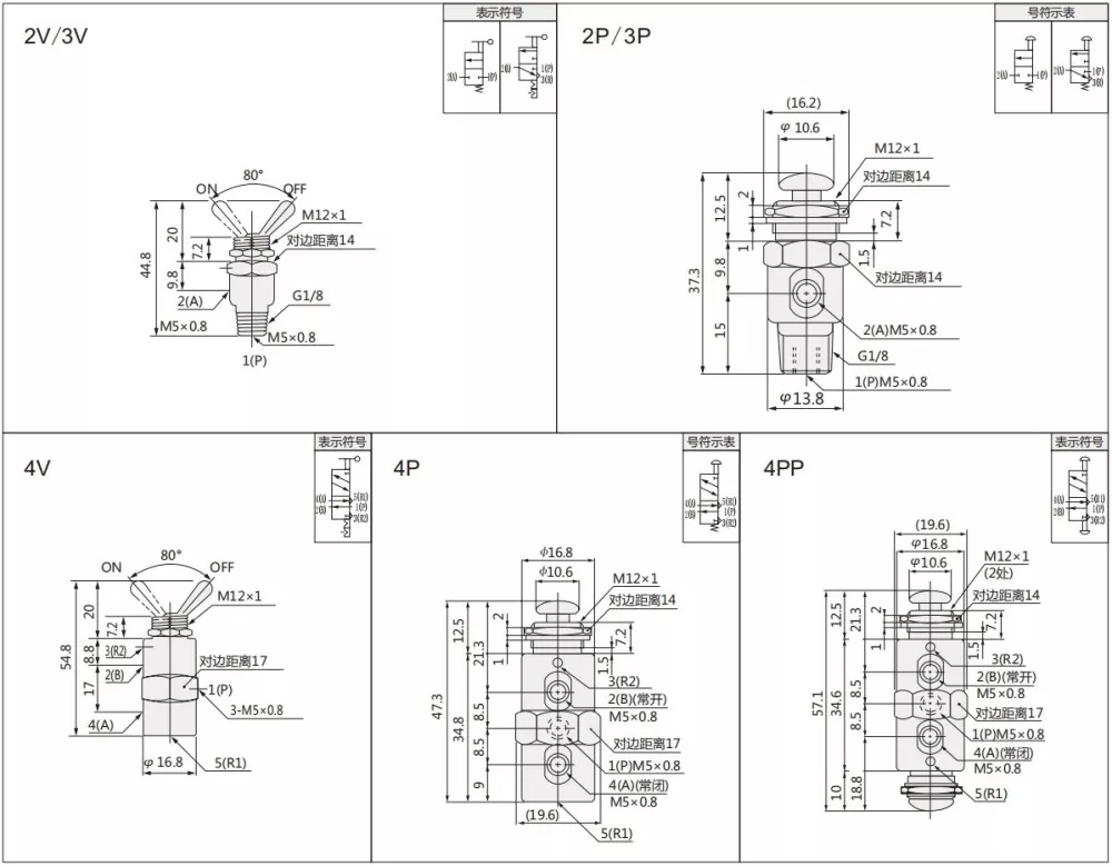
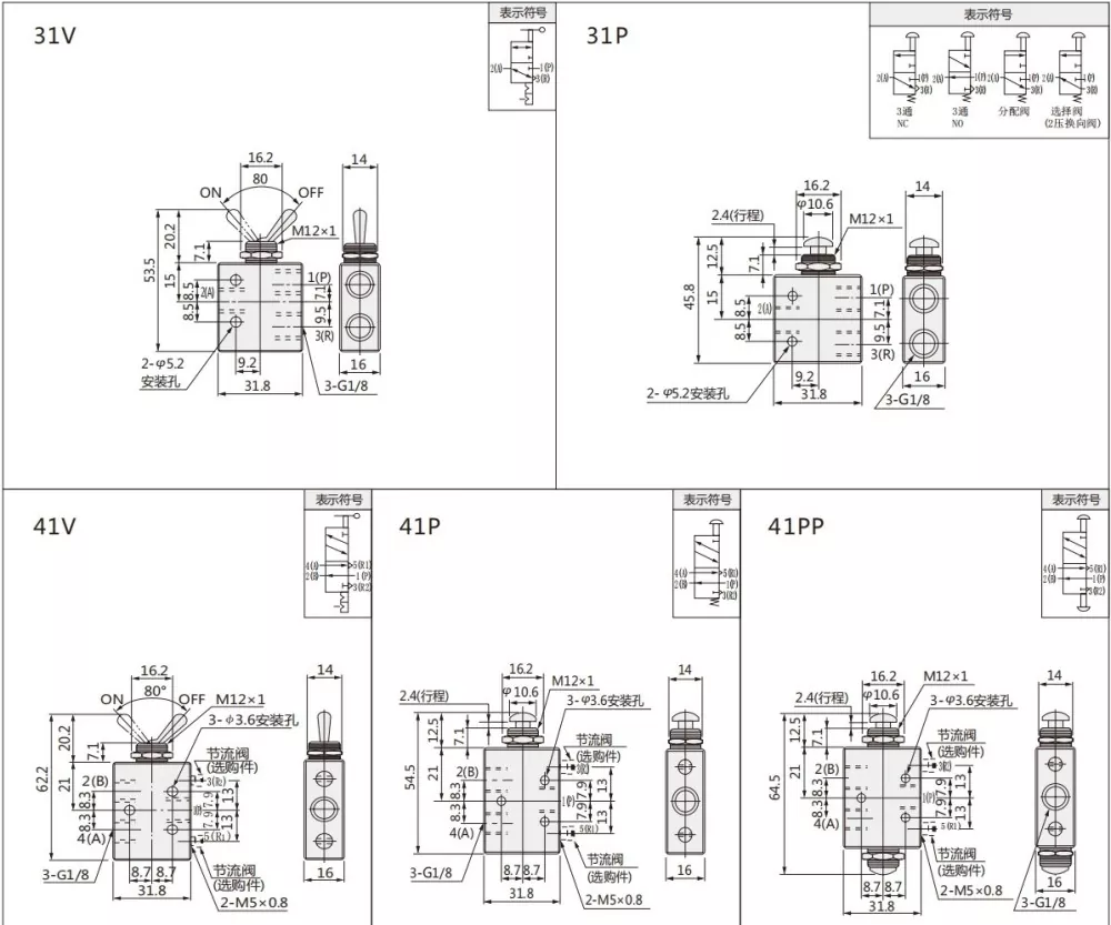
TAC serieak 2 posizioa 2 modu, 2 posizioa 3 modu eta 2 posizioa 5 modu aukeratu daiteke. Palanka mota eta bi mota bi haria: M5, G1 / 8.

Aplikazio eszenatokiak

Industri Automatizazio Ekipamenduak, Tratamendu Mekanikoa, Eraikuntzako Materialen Tratamendua, Energia eta Meatzaritza, Elikadura eta Edarien Industria, Ekipamendu Medikoa eta abar.

Produktuaren ezaugarriak

Tamaina txikia da, instalazio espazio gutxi eskatzen du eta intuitiboa da eskuz funtzionatzeko, maiz aldatzea eskatzen duten eszenatokietarako egokia da.

TAC Txandakatu Balbula ikurra eta eskema

Odering kodea

Noiz

2

__

2

P

 

 

 

 

 

TAC seriea Txandakatu balbula

 

 

2: 2POSTION 2 WIA (M5)

P: Push-Pull Button mota

 

 

 

3: 2 3. modua (M5)

V: Eskuko palanka mota

 

 

 

4: 2 Botika 5 modu (M5)

PP: Push-Pull botoi bikoitza

 

 

 

31: 2 3. postua (G1 / 8)

 

 

 

 

41: 2 Botika 5 modu (G1 / 8)

 

 

Eredu

Portuaren tamaina

 

Zenbaki
posizioa

Eraginkor  
Zeharkako eremua

Presio-tartea

Lan fluidoa

Dardorrite
Tenperatura

 

Tac-2v

Sarrera = outlet = m5   

2 1. posizioa

1,9mm²

0,05 ~ 0,9ppa

Aire

0 ~ 60

Tac-2p

Sarrera = outlet = m5   

2 1. posizioa

1,9mm²

Tac-3v

Sarrera = outlet = m5   

2 3. posizioa

1,9mm²

Tac-3p

Sarrera = outlet = m5   

2 3. posizioa

1,9mm²

Tac-4v

Sarrera = outlet = m5   

2 5. postua

1,9mm²

Tac-4p

Sarrera = outlet = m5   

2 5. postua

1,9mm²

4pp

G1 / 8

 

2 5. postua

4,5mm²

Tac2-31v

Inlet = outlet = agortu = G1 / 8   

2 3. posizioa

4,5mm²

Tac2-31p

Inlet = outlet = agortu = G1 / 8   

2 3. posizioa

4,5mm²

Tac2-41V

Inlet = outlet = g1 / 8 agortzea = m5

2 5. postua

4,5mm²

Tac2-41p

Inlet = outlet = g1 / 8 agortzea = m5

2 5. postua

4,5mm²

Tac2-41pp

Inlet = outlet = g1 / 8 agortzea = m5

2 5. postua

4,5mm²

Ohiko galderak:

Zein da aldea txandakatze balbularen eta balbula mekanikoaren artean?

Kontrol motaren eta balbula mekanikoa bereiz daitezke. Txandakatzeko balbula piperatuta dago palanka hustubide mota, balbula mekanikoa push-pull botoi mota edo roller mota da

 

Zein da aldea txandakatzeko balbula eta bestelako balbulen artean?

Kontrol zehatza: Txandakatze-balbulek fluxu erregulazio fina lortzen dute, diametro txikiko kanalizazioetan kontrol zehatza egiteko egokia, eta baloi-balbulak egokiagoak dira irekitzeko eta ixteko eragiketarako.

Hot Tags: TAC Txandakatze Pneumatikoa, Txina, Fabrikatzailea, Hornitzailea, Fabrika
Bidali kontsulta
Harremanetarako informazioa
  • Helbidea

    Zhengtai errepidea, Xinguang Industria Zona, Liushi, Yueqing, Wenzhou, Zhejiang, Txina.

  • Posta elektronikoa

    cici@olkptc.com

Ongi etorri gure webgunera! Gure produktuei edo prezio-zerrendei buruzko kontsultak egiteko, utzi zure posta elektronikoa eta 24 orduko epean jarriko gara harremanetan.
Posta elektronikoa
cici@olkptc.com
Mugikorra
+86-13736765213
Helbidea
Zhengtai errepidea, Xinguang Industria Zona, Liushi, Yueqing, Wenzhou, Zhejiang, Txina.
X
Cookieak erabiltzen ditugu nabigazio esperientzia hobea eskaintzeko, guneko trafikoa aztertzeko eta edukia pertsonalizatzeko. Gune hau erabiltzean, gure cookieen erabilera onartzen duzu. Pribatutasun politika
Baztertu Onartu