E-posta iezaguzu
Produktuak
SCT tirante zilindroa
  • SCT tirante zilindroaSCT tirante zilindroa
  • SCT tirante zilindroaSCT tirante zilindroa
  • SCT tirante zilindroaSCT tirante zilindroa

SCT tirante zilindroa

Ongi etorri gure fabrikako SCT tiraka zilindro handizkako edo pertsonalizatura edonoiz. Gure produktuen fabrikako deskontu prezioak emango dizkizugu. OLK SCT tirante zilindroen fabrikatzaileak eta hornitzaileak da Txinan.

SCT tirante zilindroak norabide biko YCC zigilatzeko eraztunak eta traza bikoitzeko diseinu indartsua ditu, itxura trinko eta finduarekin, ekintza azkarra eta irteera leuna eta egonkorra bermatzen duena. Zilindroaren geruza bakoitzak pistoi indibidual bat dauka, eta push-pull prozesuan zehar pistoi anitzek karga partekatzen dute, zilindroari luzera trinkoena lortzeko aukera ematen dio irteerako indarra biderkatuz geruza anitzeko egituraren bidez. Indar bikoitzeko diseinu honek potentzia indartsuagoa ematen du, eta sei zigilu-eraztunaren konfigurazioak zigilatzeko errendimendu bikaina eskaintzen du, zilindroari presioa 1,4 MPa arte edukitzea ahalbidetzen dio ihesik gabe.

SCT tirante zilindroaren ezaugarria

·OLK zilindro estandarrak.

·Pistoiaren zigiluak norabide biko zigilatzeko egitura berezi bat hartzen du, diseinu trinkoa eta olioa gordetzeko funtzioa duena.

·Tie-rod motako zilindroa; aurrealdeko eta atzeko estalkiak aluminiozko tutu-gorputzarekin lotuta daude, fidagarritasun handia lortzeko.

·Pistoiaren hagak hainbat kokapen puntu lor ditzake bere ibilbide osoan zehar.

·Kuxin leuna eta erregulagarria.

·Hainbat zilindro zehaztapen eta muntatzeko osagarriak eskuragarri daude bezeroek aukera dezaten.

·Tenperatura altuak erresistenteak diren zigilatzeko materialak aukerakoak dira, zilindroak 150 °C-tan normal funtziona dezan.


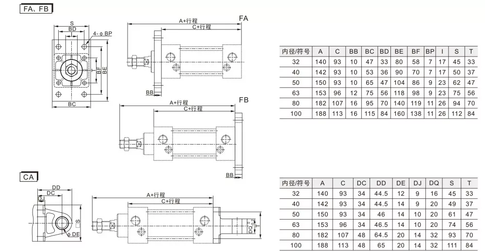
SCT tirante zilindroaren ikurra 


Eskaera kodea

SCT

50

   32   

50

   32   

50

  -  

S

 

 

 

Eredua:

Zuloaren tamaina

 

Trazua 1

 

2. trazua

 

Imana

Zigilatzeko materiala

Muntatze mota

Haria

SCT tirante zilindroa

 

 

 

 

 

 

Hutsik: gabe

Hutsik: TPU

Hutsik:

Hutsik:

PT haria

 

 

 

 

 

 

 

S: Imanarekin

N: NBR

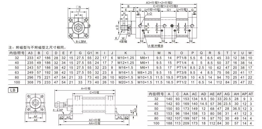
LB: hanka muntatzea

T:NPT haria

 

 

 

 

 

 

 

 

H:

 

G:G haria


Zuloaren tamaina (mm)

   32   

   40   

   50   

   63   

   80   

   100

Aktore modua

Ekintza Bikoitza

Lan egiteko bitartekoa

Aire garbitua

Forma finkoa

Oinarrizkoa eta LB 

Lan-presioa

0,1-1,0 MPa (14-145 Psi)

Froga presioa

1,5 Mpa (215 Psi)

Laneko tenperatura-tartea

'-20-80 ℃

Erabili abiadura tartea

30-800

Buffering modua

Buffer erregulagarria

Buffering Distantzia (mm)

21

28

29

Portuaren tamaina

PT1/8

PT1/4

PT3/8

PT1/2



Posizio Anitzeko Zilindroetarako Kontrol Pneumatikoko Eskemak

Zilindroaren atal bakoitzak pistoi bat dauka.

Pistoiaren haga luzatzen denean, pistoi guztiek bultzada-indarra sortzen dute. Hala ere, erretrakzioan, pistoi bakarrak tira-indarra sortzen du.

Zilindroaren ① aire-sarrera solenoide-balbularen A atakara konektatuta dago, eta ④-ren aire-sarrera solenoide-balbularen B atakara konektatzen da. Zilindroaren ③ aire sarrera isilgailu batera konektatuta dago. Solenoide balbularen A ataka dinamizatzen denean, zilindroak erretiratutako posizioan geratzen dira. B ataka dinamizatzen denean, zilindroak funtzionatzen hasten dira.

1.Luzapena

Aire-hornidura piztuta dagoenean:

1 zenbakiko solenoide balbula indartu egiten da, eta zilindroa lehen ibilaldira luzatzen da.

 

2 zenbakidun solenoide balbula indartu egiten da eta zilindroa bigarren ibilaldira luzatzen da.

 

2.Erretrazioa

Pistoiaren haga guztiz hedatuta dagoenean:

1. eta 2. zenbakiko solenoide balbula biak desaktibatuta daude, eta zilindroa guztiz erretiratzen da.

1. Luzapena (aurrerako trazua)

Aire-hornidura pizten denean:

1. eta 2. zenbakiko solenoide balbula aldi berean indartzen dira.

Zilindro-hastaka trazu guztietan zehar luzatzen da guztiz luzatu arte.

 

2. Erretrazioa (urratsez pauso itzulera)

①Itzuli Bigarren posiziora

Pistoiaren haga guztiz hedatuta dagoenean:

2 zenbakidun solenoide balbula desaktibatuta dago, eta zilindroa bigarren posiziora atzera egiten du.

② Itzuli Lehen posiziora

1 zenbakiko solenoide balbula desaktibatuta dago, zilindroa lehen posiziora atzera egin eta itzulera prozesua amaituz.

 

 


Ohiko galderak:

Zer da SCT zilindroen seriea?

SCT zilindroa serie estandarreko zilindro pneumatikoen lotura motakoa da


Hot Tags: SCT Tie-Rod zilindroa, Txina, fabrikatzailea, hornitzailea, fabrika
Bidali kontsulta
Harremanetarako informazioa
  • Helbidea

    Zhengtai errepidea, Xinguang Industria Zona, Liushi, Yueqing, Wenzhou, Zhejiang, Txina.

  • Posta elektronikoa

    cici@olkptc.com

Ongi etorri gure webgunera! Gure produktuei edo prezio-zerrendei buruzko kontsultak egiteko, utzi zure posta elektronikoa eta 24 orduko epean jarriko gara harremanetan.
Posta elektronikoa
cici@olkptc.com
Mugikorra
+86-13736765213
Helbidea
Zhengtai errepidea, Xinguang Industria Zona, Liushi, Yueqing, Wenzhou, Zhejiang, Txina.
X
Cookieak erabiltzen ditugu nabigazio esperientzia hobea eskaintzeko, guneko trafikoa aztertzeko eta edukia pertsonalizatzeko. Gune hau erabiltzean, gure cookieen erabilera onartzen duzu. Pribatutasun politika
Baztertu Onartu