E-posta iezaguzu
Produktuak
Airtac Mota GR Presio Erregulatzailea
  • Airtac Mota GR Presio ErregulatzaileaAirtac Mota GR Presio Erregulatzailea

Airtac Mota GR Presio Erregulatzailea

Ziur egon zaitezke gure fabrikatik Airtac motako GR presio erreguladoreak erosteko eta salmenta osteko zerbitzu onena eta puntualki entrega eskainiko dizugu.

Airtac motako GR presio erreguladoreak presio-kontrol egonkorra eta zehatza eskaintzen du sistema pneumatikoetarako. OLK  GR erregulagailu pneumatikoa eraikuntza iraunkorra eta doikuntza errazarekin, errendimendu fidagarria bermatzen du automatizazio-ekipoetan, aire-tresnetan, konpresoreetan eta industria-aplikazio orokorretan. Iragazkiak, lubrifikatzaileak eta FRL unitateekin bateragarria.

Airtac motako GR presio erregulatzailea produktuaren ezaugarriak:

·Eredu estandarraz gain, presio baxuko mota bat ere eskuragarri dago (gehienezko presio erregulagarria: 0,4 MPa)

· Blokeatzeko diseinuak kanpoko indarrak eragindako ustekabeko presioa doitzea eragozten du.

·Presioa erregulatzeko egitura orekatuak presio egonkorra, gorabehera txikia eta errendimendu ona bermatzen ditu.

·Panel batean edo aukeran muntatzeko euskarri batekin instala daiteke.

·Eredu estandarraz gain, presio baxuko mota bat ere eskuragarri dago (gehienezko presio erregulagarria: 0,4 MPa)


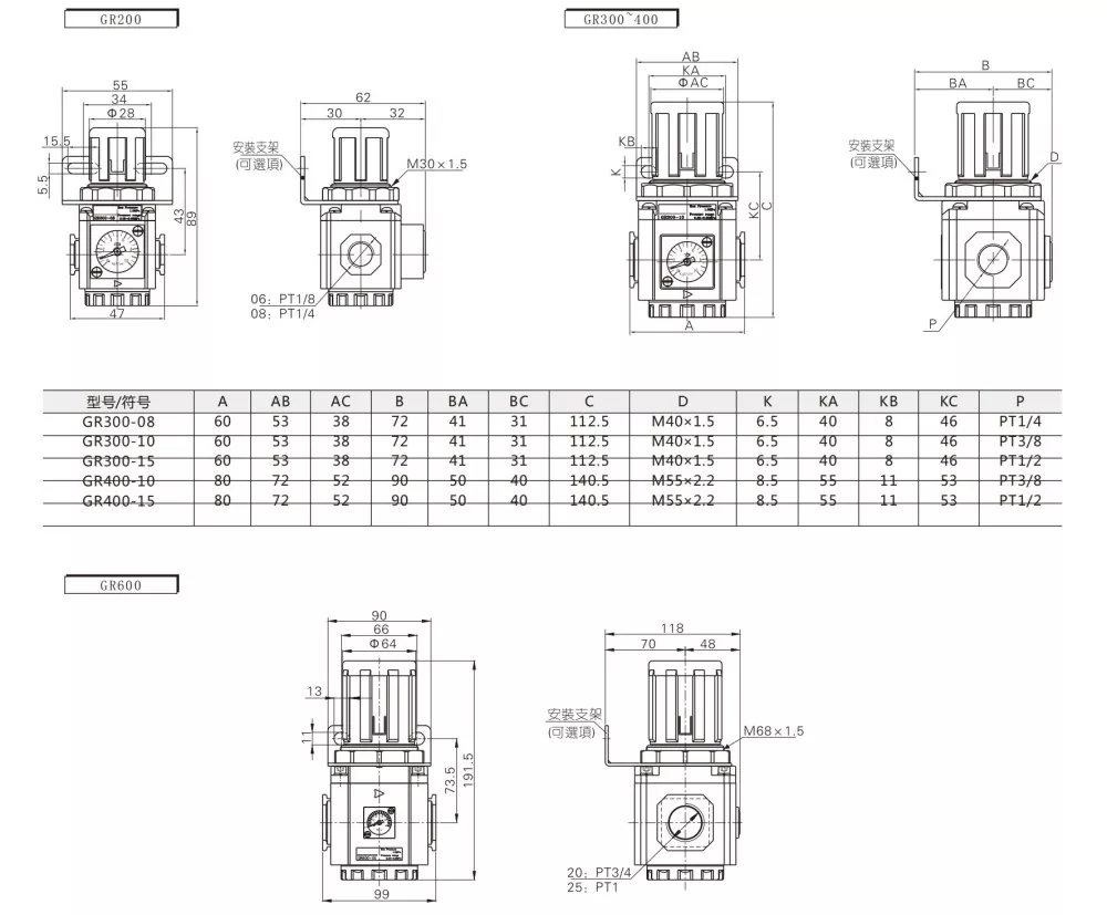
GR presio erregulatzailea ikurra:

Eskaera kodea

GR200

--

08

Eredua:

 

Portuaren tamaina:

GR200 serieko presio erregulatzailea

 

06:PT:1/8

GR300 serieko presio erregulatzailea

 

08:PT1/4

GR400 serieko presio erregulatzailea

 

10:PT3/8

GR600 serieko presio erregulatzailea

 

15:PT1/2

 

 

20:PT3/4

 

 

25:PT1


Eredua

GR200-06

GR200-08

GR300-08

GR300-10

GR300-15

GR400-10

GR400-15

GR600-20

GR600-25

Lan egiteko bitartekoa

AIREA

Portuaren tamaina

PT1/8

PT1/4

PT1/4

PT3/8

PT1/2

PT3/8

PT1/2

PT3/4

PT1

40:1 1/2''

0,05-0,9 Mpa (20-130 psi)

Laneko presio tartea

1.5Mpa (215psi)

TEM.

-20--70 ℃

Pisua

160g

350g

720 g

1700g


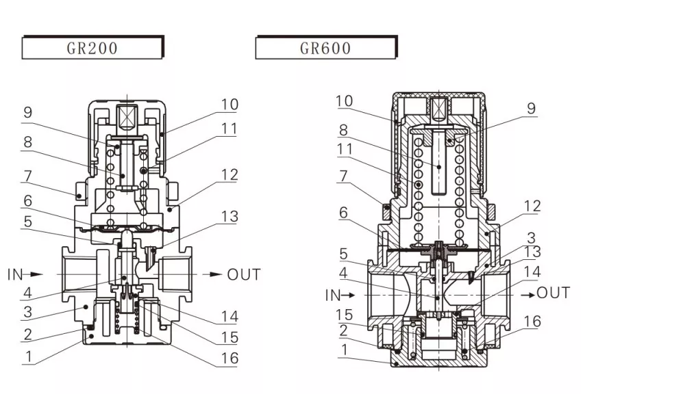
Nola doitu Airtac motako GR presio erregulatzailea

Presio eskala bat dago doikuntza-txapelan. Airea hornitzen denean, tira botoia gora eta biratu erlojuaren orratzen norantz "+" zeinurantz presioa handitzeko. Doitu ondoren, sakatu botoia behera blokeatzeko.


1. urratsa: eutsi botoia eta tira gora.

2. urratsa: Biratu erlojuaren orratzen norantz presioa handitzeko.

3. urratsa: sakatu botoia behera blokeatzeko doikuntzaren ondoren.


Oharra: jarri arreta aire-fluxuaren norabidea adierazten duen geziari konektatzean. Alderantzizko sarrerako konexioak aire-ihesak eragin ditzake.




Ohiko galderak:

Zer esan nahi du GR?

GR-k GR serieko aire erregulatzailea esan nahi du.


Zer esan nahi du GFC?

GFC=GFR+GL  (Iragazki-erregulatzailea + Lubrikatzailea)


Zer esan nahi du GC?

GC=GF+GR+GL (iragazkia + erregulatzaile pneumatikoa + lubrifikatzailea)



Hot Tags: Airtac Mota GR Presio erregulatzailea, Txina, fabrikatzailea, hornitzailea, fabrika
Bidali kontsulta
Harremanetarako informazioa
  • Helbidea

    Zhengtai errepidea, Xinguang Industria Zona, Liushi, Yueqing, Wenzhou, Zhejiang, Txina.

  • Posta elektronikoa

    cici@olkptc.com

Ongi etorri gure webgunera! Gure produktuei edo prezio-zerrendei buruzko kontsultak egiteko, utzi zure posta elektronikoa eta 24 orduko epean jarriko gara harremanetan.
Posta elektronikoa
cici@olkptc.com
Mugikorra
+86-13736765213
Helbidea
Zhengtai errepidea, Xinguang Industria Zona, Liushi, Yueqing, Wenzhou, Zhejiang, Txina.
X
Cookieak erabiltzen ditugu nabigazio esperientzia hobea eskaintzeko, guneko trafikoa aztertzeko eta edukia pertsonalizatzeko. Gune hau erabiltzean, gure cookieen erabilera onartzen duzu. Pribatutasun politika
Baztertu Onartu